




主機式倉頂除塵器為我公司引進國外先進技術,結合O粉塵回收的使用特點,設計生產出的新一代環保型節能產品。主機除塵器主要用在對商砼站生產、運輸、儲存過程中產生的各種粉塵進行完全回收、再利用。即可切實有效的解決了對周圍環境的污染問題,又能經濟合
服務電話:13091153069(同微信)

倉頂除塵器用的除塵布袋需要有很好的透氣性和易清灰性,除塵器運行過程中也要隨時掌握除塵布袋的清灰情況,以免倉內壓力過大,出現事故。

倉頂除塵器用除塵骨架,規格有:ф120*1000mm,ф120*1500mm,ф120*2000mm

山東濱州混凝土攪拌站除塵器發貨,混凝土攪拌站需要處理的主要是粉塵的污染,只要將砂石骨架卸車倒料時飛揚的粉塵控制住即可,我們在皮帶機上料斗處設置半密閉吸塵罩,可以有效控制鏟車在裝料時飛起的揚塵,主機和倉頂部位的粉塵擇單獨通過幾臺MC-25倉頂除塵器進行處理。
一、概述
主機式倉頂除塵器為我公司引進國外先進技術,結合O粉塵回收的使用特點,設計生產出的新一代環保型節能產品。主機除塵器主要用在對商砼站生產、運輸、儲存過程中產生的各種粉塵進行完全回收、再利用。即可切實有效的解決了對周圍環境的污染問題,又能經濟合理地節約了寶貴的資源。
二、清灰原理
本公司攪拌站地面除塵器是采用氣動脈沖原理,即主機除塵器工作時,通過電腦板控制,對主機除塵器內每個布袋濾芯逐個清灰,即每個布袋里面瞬間充滿氣體,布袋瞬間膨脹,把附著在除塵布袋表面的灰塵瞬間抖落,達到清灰的目的。此外,濾袋入口處設計增壓文氏管,這樣可以二次增壓,使脈沖清灰更徹底。一次清灰率高達99.9%,一般傳統除塵器靠0.5千瓦左右的振動電機震動達到清灰目的,但清灰不徹底,浪費電,易壞,某種程度純屬擺設。主機除塵器帶有觀察門,方便檢查布袋使用情況。
三、工作原理:
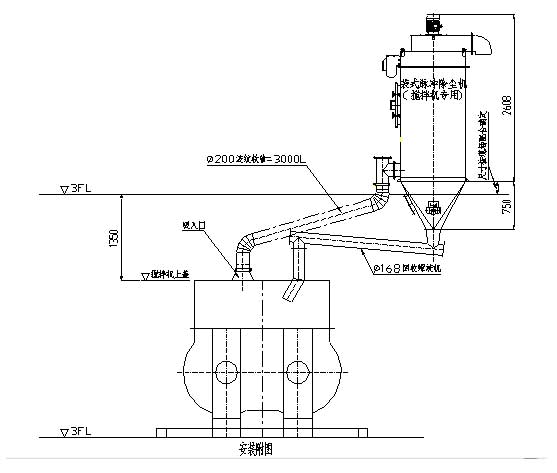
攪拌機在生產過程中,向攪拌機內投料(粉狀物),由于慣性這些粉狀物會形成粉塵,造成環境污染。布袋脈沖式除塵器可以在投料的開始(配備風機2.2KW~5.5KW,根據攪拌主機容量大小選配),吸收粉塵(3m³攪拌機一般會產生2~3kg/罐),經過布袋過濾把粉塵集中在布袋脈沖式除塵器的下部漏斗,振動電機振動后,經過回收螺旋輸送機把粉塵送入攪拌機內或人工收集,不會造成二次污染。
四、設備自身優點:
① 有利于保護環境;
?、?有利于回收粉塵(節約成本);
③ 有利于觀察攪拌主機內的攪拌情況(在攪拌主機上蓋處可以安裝攝像頭);
?、?有利于攪拌機內空氣對流;
?、?在接入砼站氣泵氣體的入口處裝有油水過濾器,能使反吹清灰的高壓氣體進一步將油份水份凈化分離;
?、?整個主機除塵器的反吹清灰是由電腦板控制氣動脈沖閥,對濾芯逐一清理,O限度延長濾芯壽命?,F場只需接入一個380V的電源線和0.5~0.7Mpa的氣源即可,省電節約能源;
?、?嵌入式彈性袋口,密封性好,能一次性處理高達1000g/m2濃度的煙塵,排放小于50g/m3,符合O排放標準;
⑧ 脈沖閥數量少,清灰強度大,動作迅速;
?、?整機采用微機自動控制,各參數易于調節,可實現無崗位工操作;
?、?濾袋使用壽命二年以上;
易實現隔離檢修,除塵機相對主機運轉率100%。
五、參數規格
|
型號 |
MC15034 |
過濾面積 |
22㎡ |
|
除塵通道數量 |
1~2 |
供電電壓 |
380V |
|
風機功率 |
2.2~5.5KW |
供氣氣壓 |
0.5~0.7Mpa |
|
完成時間 |
10s(3m³) |
吸入風量 |
50m³/min |
|
工作溫度 |
-10℃~40℃ |
外形尺寸 |
1400×1120×3500 |
由于產品不斷改進,公司保留不事先通知變更產品規格或裝備的權利
六、經濟效益分析
1、按單站年產量為30萬方混凝土計算,傳統除塵器正常使用要更換濾芯4次,即三個月要更換一次。主機除塵器大概要16-20個濾芯,每年合計要更換100個左右的濾芯,濾芯市場采購價在80-100元/個,即單套站每年需要更換濾芯的費用在1萬左右,兩年大概要2萬左右的費用。攪拌站主機除塵器一次性投入,濾芯兩年免更換維護,使用成本兩年節約2萬元左右。
2、隨著O對城市大氣環境要求越來越高,各地都出臺的相關針對商混站粉塵污染的懲罰規定,對各地的商混站要求必須進行廠房式封裝,所以商混站從自身長期穩定經營角度講,主機除塵器除塵效果必須穩定,如果不穩定,主機樓內會造成嚴重污染和對資源的浪費。所以對于商混站主機除塵器改造和更新是大勢所趨,也是生產經營的長期大計。
安裝示意圖:
